schéma elektroinstalace Barkas B1000
(Pro stažení ve vyšším rozlišení je třeba se přihlásit. Pokud nemáte přihlašovací údaje, zkuste mi napsat.)
Barkas B1000, provedení KK (sanita)
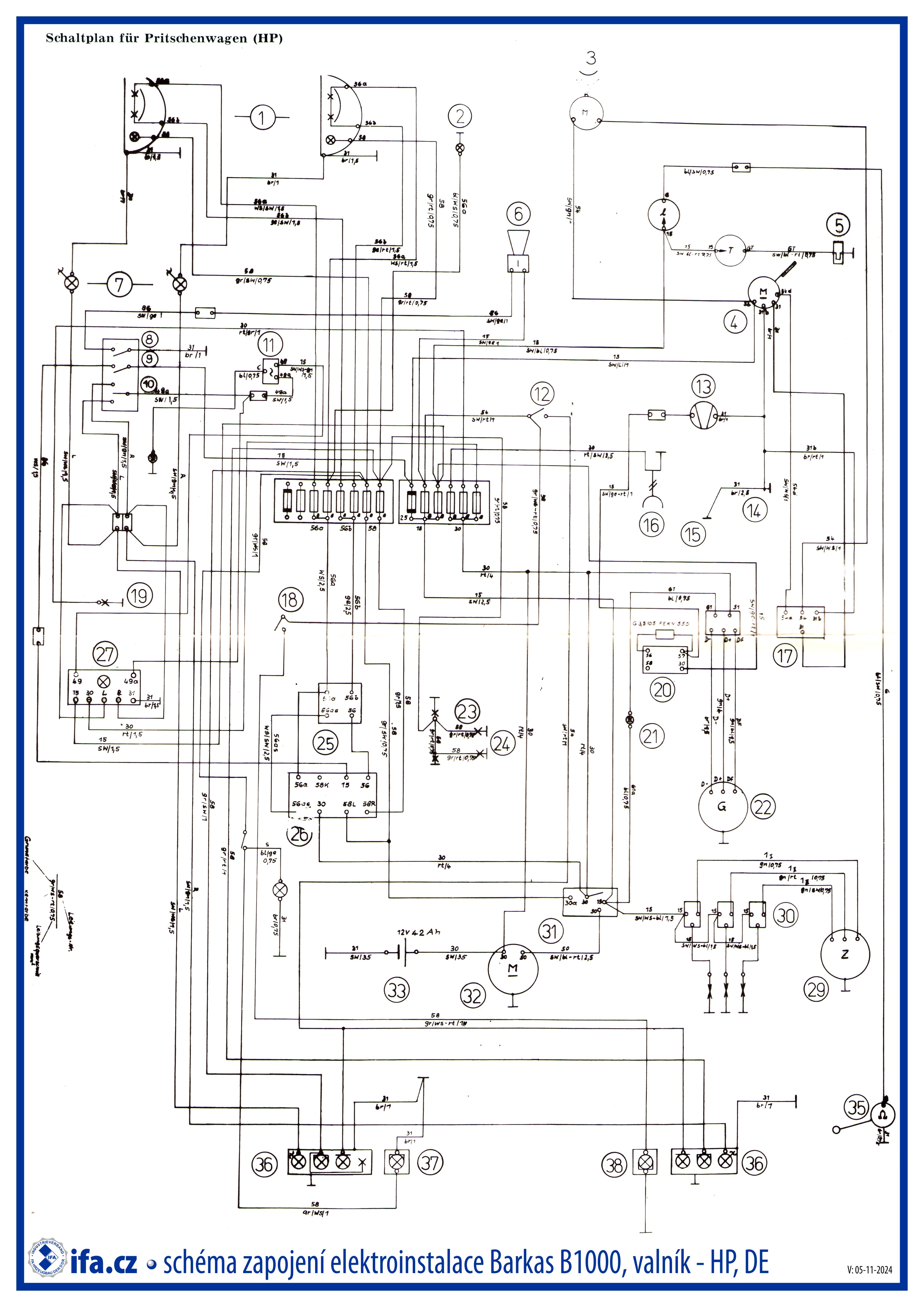
Barkas B1000, provedení HP (valník)
Barkas B1000, provedení KA / KM (kombi, dodávkový vůz)
Barkas B1000, provedení KB (minibus)





