schéma elektroinstalace Wartburg
(Pro stažení ve vyšším rozlišení je třeba se přihlásit. Pokud nemáte přihlašovací údaje, zkuste mi napsat.)
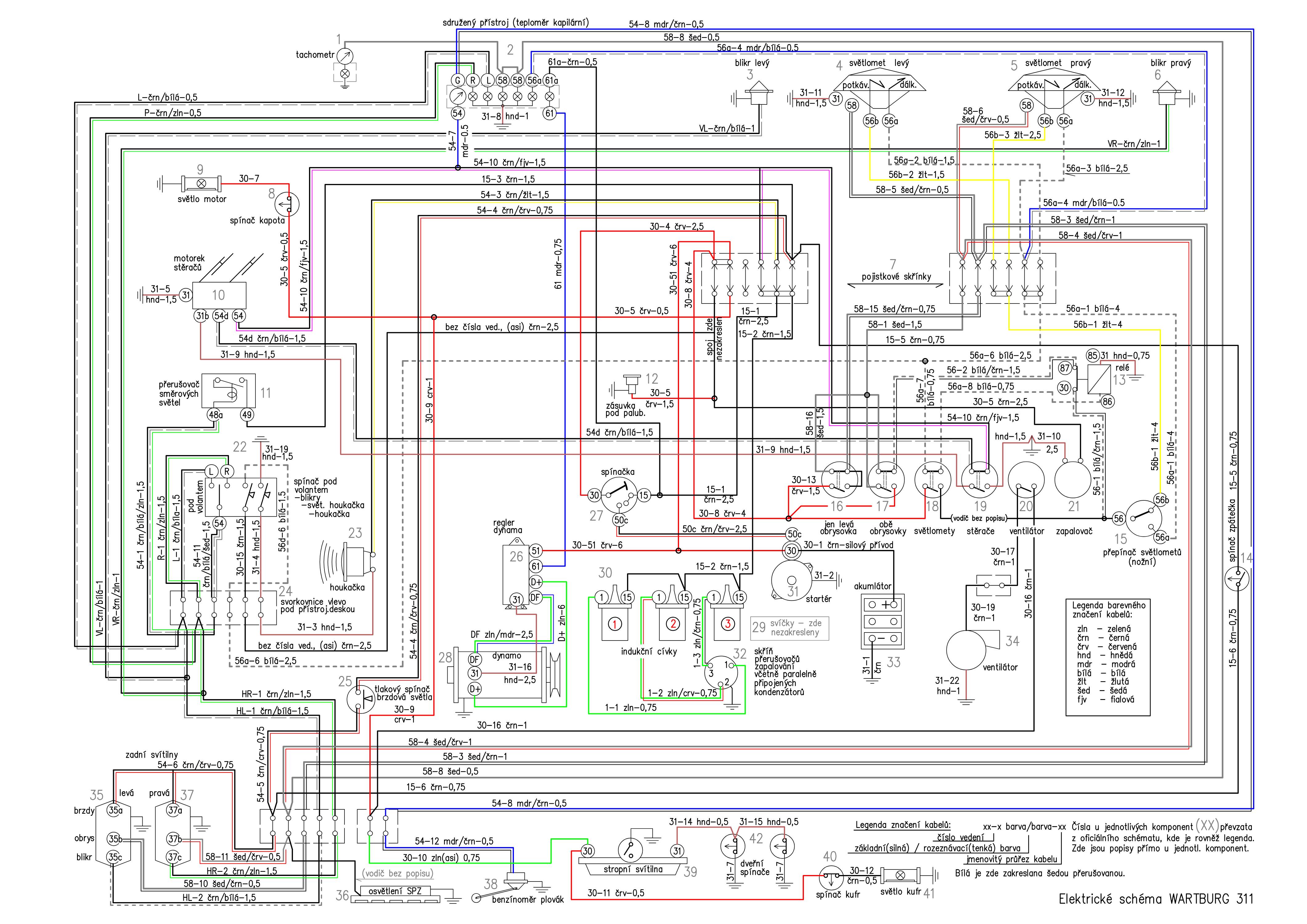
Wartburg 311 (19??) - díky Stanislavu Wilczekovi za aktualizaci a obarvení
Wartburg 311 (900), rok vydání 1956
Wartburg 311 (900), rok vydání 1958
Wartburg 311 (900), rok vydání 1961
Wartburg 311 (900), rok vydání 1962
Wartburg 311 (1000), rok vydání 1963
Wartburg 311 (1000), rok vydání 1964
Wartburg 1000-353, rok vydání 1966
Wartburg 1000-353, rok vydání 1968
Wartburg 353, rok vydání 1968
Wartburg 353.1, rok vydání 1972
Wartburg 353W, datum vydání schématu 1974 - 1981 (Původně jeden list, ale pro přehlednost rozděleno do dvou dílů.)
Wartburg 353W, rok vydání 1977
Wartburg 353W, rok vydání 1980
Wartburg 353W, rok vydání 1984
Wartburg 1.3 limuzína, rok vydání 1988




















